1.Alternate methane gas/heavy oil burner.
2. Two-stage sliding/modulating/electronic working.
3. Air-gas mixing at blast-pipe and high pressure mechanical atomisation of fuel using nozzle.
4. Ability to obtain optimal combustion values by regulating combustion air and blast-pipe.
5. Maintenance facilitated by the fact that the atomisation unit can be removed without having to remove the burner from the boiler.
6. Sliding/Modulating Servo motor with a CAM can regulate air and fuel supply at the same time;Pauses burner, air door closed in order to reduce heat loss in the furnace.
7. Electronic proportional Using three-phase servo motor respectively to control ratio adjustion among gas ,oil and air.
8. Using a flange and high temperature resistant heat insulation pads connected to the boiler.
9. Combustion air intake with air flow adjustment device.
10.Burner air inlet with mute design.
11.High temperature resistant stainless steel disc burner flame.
12.Independent of the heavy oil electric heater set and three-phase motor to drive oil pump.
13.UV ultraviolet phototube detects flame.
14.Electrical plant protection rating Ip40.
Products
BTN400/600GHC/ GHESliding/Modulating/Electronic proportional Heavy oil &Gas Burner(Air atomizing)
Product Model
BTN400GHC/GHE


| power | Model | Power supply |
Motor power
kW |
packing Size
L x P x H mm |
Net weight
kg |
| 550 ~4000 | BTN400GHC/GHE | 380V 50Hz | 9+2.2 | 1425x1070x995 | 565 |
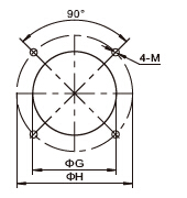
| Model | A | B | C | D | E | F | G | H | B1 | K | L | M |
| mm | mm | mm | mm | Φmm | Φmm | Φmm | Φmm | mm | mm | mm | M | |
| BTN400GHC/GHE | 880 | 805 | 1260 | 330 | 336 | 290 | 346 | 520 | 414 | 150 | DN80 | 4-M16 |
BTN600GHC/GHE


| power | Model | Power supply |
Motor power
kW |
packing Size
L x P x H mm |
Net weight
kg |
| 600~5400 | BTN600GHC/GHE | 380V 50Hz | 12.5+2.2 | 1425x1070x995 | 570 |
| Model | A | B | C | D | E | F | G | H | B1 | K | L | M |
| mm | mm | mm | mm | Φmm | Φmm | Φmm | Φmm | mm | mm | mm | M | |
| BTN600GHC/GHE | 880 | 805 | 1290 | 357 | 336 | 365 | 375 | 520 | 414 | 150 | DN80 | 4-M16 |






