1.Alternate methane gas/light oil burner
2. Two-stage operation (high/low flame).
3.Air-gas mixing at blast-pipe and high pressure mechanical atomisation of fuel using nozzle.
4.Ability to obtain optimal combustion values by regulating combustion air and blast-pipe.
5.Hinged connection, can control the natural open, maintenance is convenient.
6.Servo motor to adjust the air flow.
7.Using a flange and high temperature resistant heat insulation pads connected to the boiler.
8.Combustion air intake with air flow adjustment device.
9.Burner air inlet with mute design.
10.Adjustable blast-pipe with stainless steel nozzle and deflector disk in steel.
11.Two three-phase motor, a drive fan motor , a driving oil pump.
12.UV ultraviolet phototube detects flame.
13.Electrical plant protection rating Ip40.
Products
BTN210/250G LRTwo-stage light oil & gas dual burners
Product Model
BTN210GLR


| power | Model | Art No. | Power supply |
Motor power
kW |
packing Size
L x P x H mm |
Net weight
kg |
| 560 ~2180 | BTN210GLR | 202 23 028 | 380V 50Hz | 4.5+0.55 | 1000x1010x755 | 99 |
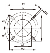
| Model | A | B | C | D | E | F | G | H | B1 | K | L | O | N | M |
| mm | mm | mm | mm | Φmm | Φmm | Φmm | mm | mm | mm | mm | mm | Φmm | M | |
| BTN210GLR | 908 | 588 | 1220 | 412 | 222 | 232 | 290 | 320 | 231 | 151 | G2" | 320 | 370 | 4-M16 |
BTN250GLR


| power | Model | Art No. | Power supply |
Motor power
kW |
packing Size
L x P x H mm |
Net weight
kg |
| 560 ~2460 | BTN250GLR | 202 23 029 | 380V 50Hz | 5.5+0.55 | 1000x1010x755 | 135 |
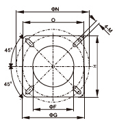
| Model | A | B | C | D | E | F | G | H | B1 | K | L | O | N | M |
| mm | mm | mm | mm | Φmm | Φmm | Φmm | mm | mm | mm | mm | mm | Φmm | M | |
| BTN250GLR | 908 | 588 | 1220 | 412 | 222 | 232 | 290 | 320 | 231 | 151 | G2" | 320 | 370 | 4-M16 |






