1.Alternate methane gas/light oil burner.
2. Two-stage operation (high/low flame).
3.Air-gas mixing at blast-pipe.
4.Ability to obtain optimal combustion values by regulating combustion air and blast-pipe.
5.Hinged connection, can control the natural open, maintenance is convenient.
6.Servo motor to adjust the air flow.
7.Using a flange and high temperature resistant heat insulation pads connected to the boiler.
8.Combustion air intake with air flow adjustment device.
9.Burner air inlet with mute design.
10.Adjustable blast-pipe with stainless steel nozzle and deflector disk in steel.
11.Three-phase motor drives the fan and pump.
12.Flame presence check by photoresistance and ionisation electrode.
13.Electrical plant protection rating Ip40
14.Plastic protection cover.
Products
BTN40/55GLRTwo-stage light oil & gas dual burners
Product Model
BTN40GLR


| power | Model | Art No. | Power supply |
Motor power
kW |
packing Size
L x P x H mm |
Net weight
kg |
| 70 ~390 | BTN40GLR | 202 23 023 | 380V 50Hz | 0.3 | 740x680x570 | 45 |
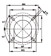
| Model | A | B | C | D | E | F | G | H | B1 | K | L | O | N | M |
| mm | mm | mm | mm | Φmm | Φmm | Φmm | mm | mm | mm | mm | mm | Φmm | M | |
| BTN40GLR | 502 | 402 | 692 | 210 | 160 | 170 | 218 | 220 | 177 | 76 | G11/2" | 220 | 260 | 4-M10 |
BTN55GLR

| power | Model | Art No. | Power supply |
Motor power
kW |
packing Size
L x P x H mm |
Net weight
kg |
| 101~550 | BTN55GLR | 202 23 024 | 380V 50Hz | 0.42 | 740x680x570 | 46 |
| Model | A | B | C | D | E | F | G | H | B1 | K | L | O | N | M |
| mm | mm | mm | mm | Φmm | Φmm | Φmm | mm | mm | mm | mm | mm | Φmm | M | |
| BTN55GLR | 502 | 402 | 692 | 210 | 160 | 170 | 218 | 220 | 177 | 76 | G11/2" | 220 | 260 | 4-M10 |






