1. Alternate methane gas/light oil burner.
2.Two-stage sliding/modulating working.
3. Air-gas mixing at blast-pipe and high pressure mechanical atomisation of fuel using nozzle.
4. Ability to obtain optimal combustion values by regulating combustion air and blast-pipe.
5. The hinge connection, can be opened naturally.
6. Maintenance facilitated by the fact that the mixing unit and the atomisation unit can be removed without having to remove the burner from the boiler.
7. Two-stage Minimum and maximum air flow regulation for first and second stage by means of electric servomotor with pause closure of gate to prevent any heat dispersion to flue.
8. Sliding/modulating The servo motor which fixed with
a cam can adjust the consumption for fuel and air.
9. Equipped with one flange and one insulating seal for boiler fastening.
10.Combustion air intake with air flow adjustment device.
11.Sliding boiler coupling flange to adapt to head protrusion of the various types of boilers.
12.Adjustable blast-pipe with stainless steel nozzle and deflector disk in steel.
13.A three-phase electric motor to run fan and another to run the pump.
14.UV ultraviolet phototube detects flame.
15.Electrical plant protection rating Ip40.
Products
BT250/350GLR/GLCSliding/Modulating Light oil &Gas Burner
Product Model
BT250GLR/GLC

| power | Model | Power supply |
Motor power
kW |
packing Size
L x P x H mm |
Net weight
kg |
| 1127~3380 | BT250GLR/GLC | 380V 50Hz | 7.5+0.75 | 1620x1200x960 | 310/290 |
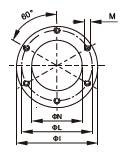
| Model | A | B1 | B2 | C | D | E | F | N | L | I | M |
| mm | mm | mm | mm | mm | Φmm | Φmm | Φmm | Φmm | Φmm | M | |
| BT250GLR/GLC | 1050/1075 | 575/570 | 280 | 1800/1785 | 505 | 290 | 299 | 310 | 462~520 | 560 | 6-M20 |
BT350GLR

| power | Model | Power supply |
Motor power
kW |
packing Size
L x P x H mm |
Net weight
kg |
| 1304~3878 | BT350GLR | 380V 50Hz | 9+0.75 | 1620x1200x960 | 360 |
| Model | A | B1 | B2 | C | D | E | F | N | L | I | M |
| mm | mm | mm | mm | mm | Φmm | Φmm | Φmm | Φmm | Φmm | M | |
| BT350GLR | 1150 | 575 | 280 | 1800 | 505 | 300 | 299 | 320 | 462~520 | 460 | 6-M20 |






