1. Heavy oil burner.
2. Two-stage operation (high/low flame).
3. High pressure mechanical atomisation of fuel using nozzle.
4. Ability to obtain optimal combustion values by regulating combustion air and blast-pipe.
5. Maintenance facilitated by the fact that the atomisation unit can be removed without having to remove the burner from the boiler.
6. Minimum and maximum air flow regulation for first and second stage by means of electric servomotor with pause closure of gate to prevent any heatdispersion to flue.
7. With the fuel pre-heater which installed with thermometer and adjustable temperature controller.
8. one flange and one insulating seal for boiler fastening.
9. Combustion air intake with air flow adjustment device.
10.Adjustable blast-pipe with stainless steel nozzle and deflector disk in steel.
11.Three-phase electric motor to run fan and pump.
12.Flame presence check by photoresistance.
13.Electrical plant protection rating Ip40.
Products
BT180/250/300 HRFHeavy Oil Burner ( M e c h a n i c a l a t o m i z i n g )
Product Model
BT180 HRF


| power | Model | Art No. | Max Viscldity | Power supply |
Motor power
kW |
packing Size
L x P x H mm |
Net weight
kg |
| 725~2009 | BT180 HRF | 201 21 101 | 7 | 380V 50Hz | 3 | 1450x830x815 | 195 |
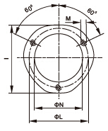
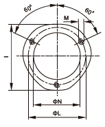
| Model | A | B | C | D | E | F | N | L | I | 圖號 | M |
| mm | mm | mm | mm | Φmm | Φmm | Φmm | Φmm | Φmm | - | M | |
| BT180 HRF | 730 | 650 | 1420 | 200~535 | 260 | 219 | 270 | 339 | 400 | 圖1 | 4-M16 |
BT250 HRF


| power | Model | Art No. | Max Viscldity | Power supply |
Motor power
kW |
packing Size
L x P x H mm |
Net weight
kg |
| 937~3170 | BT250 HRF | 201 21 102 | 7 | 380V 50Hz | 7.5 | 1620x1200x960 | 255 |
| Model | A | B | C | D | E | F | N | L | I | 圖號 | M |
| mm | mm | mm | mm | Φmm | Φmm | Φmm | Φmm | Φmm | - | M | |
| BT250 HRF | 948 | 780 | 1536 | 235~590 | 260 | 219 | 270 | 339 | 400 | 圖1 | 4-M16 |
BT300 HRF


| power | Model | Art No. | Max Viscldity | Power supply |
Motor power
kW |
packing Size
L x P x H mm |
Net weight
kg |
| 1220~3460 | BT300 HRF | 201 21 103 | 7 | 380V 50Hz | 7.5 | 1620x1200x960 | 295 |
|






