1. Heavy oil burner.
2. Two-stage sliding/modulating working.
3. Air or steam to sprayer.
4. Ability to obtain optimal combustion values by regulating combustion air and blast-pipe.
5. The hinge connection, can be opened naturally.
6. Maintenance facilitated by the fact that the atomisation unit can be removed without having to remove the burner from the boiler.
7. The burner is paused, close the throttle to reduce the loss of furnace heat.
8. The servo motor which fixed with a cam can adjust the consumption for fuel and air.
9. With control valve and stopvalve.
10.With the fuel pre-heater which installed with thermometer and adjustable temperature controller.
11.one flange and one insulating seal for boiler fastening.
12.Combustion air intake with air flow adjustment device.
13.Adjustable blast-pipe with stainless steel nozzle and deflector disk in steel.
14.Three-phase electric motor to run fan.
15.Flame presence check by photoresistance.
16.Electrical plant protection rating IP40.
Products
Product Model
BTH10 S/M1


| power | Model | Art No. | Max Viscldity | Power supply |
Motor power
kW |
packing Size
L x P x H mm |
Net weight
kg |
| 340~1040 | BTH10 S/M1 | 201 21 200 | 60 | 380V 50Hz | 1.1 | 970x700x900 | 151 |
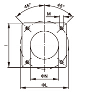
| Model | A | B | C | D | E | F | N | L | I | M |
| mm | mm | mm | mm | Φmm | Φmm | Φmm | Φmm | mm | M | |
| BTH10 S/M1 | 605 | 705 | 865 | 162 | 190 | 147 | 200 | 325 | 280 | 4-M12 |
BTH10 S/M2


| power | Model | Art No. | Max Viscldity | Power supply |
Motor power
kW |
packing Size
L x P x H mm |
Net weight
kg |
| 558~1276 | BTH10 S/M2 | 201 21 201 | 60 | 380V 50Hz | 1.5 | 970x700x900 | 155 |
| Model | A | B | C | D | E | F | N | L | I | M |
| mm | mm | mm | mm | Φmm | Φmm | Φmm | Φmm | mm | M | |
| BTH10 S/M2 | 605 | 705 | 865 | 162 | 190 | 147 | 200 | 325 | 280 | 4-M12 |






