1.Light oil burner.
2.Single stage operation (on/off).
3.High pressure mechanical atomisation of fuel using nozzle.
4.Ability to obtain optimal combustion values by regulating combustion air and blast-pipe.
5.Do not need to remove the installation of flan combustion cylinder,It could remove burner directly, not get off mountain flange.It is convenient for maintenance.
6.Manual flow adjustment.
7.It adapts one flange and heat-resistance insulated pad to connect with boiler.
8.Combustion air intake with air flow adjustment device.
9.Adjustable blast-pipe with stainless steel nozzle and deflector disk in steel
10.Monophase electric motor to run fan and pump.
11.Flame presence check by photoresistance.
12.Electrical plant protection rating Ip40.
13.Air inlet with quieter.
14.Plastic protection cover.
Products
BTN5/8/12L/LWOne-stage Light Oil Burner
Product Model
BTN5L/LW


| power | Model | Max Viscldity | Power supply |
Motor power
kW |
packing Size
L x P x H mm |
Net weight
kg |
| 20~59 | BTN5L/LW | 1.5 | 230V 50Hz | 0.09 | 420x315x313 | 10 |
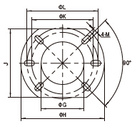
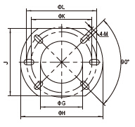
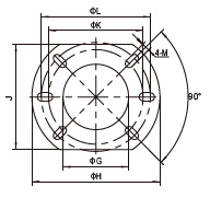
| Model | A | A1 | B | C | D | E | G | H | J | K | L | M |
| mm | mm | mm | mm | mm | Φmm | Φmm | Φmm | mm | Φmm | Φmm | M | |
| BTN5L/LW | 243 | 310 | 246 | 337 | 113 | 90 | 105 | 194 | 166 | 140 | 168 | 4-M8 |
BTN8L/LW


| power | Model | Max Viscldity | Power supply |
Motor power
kW |
packing Size
L x P x H mm |
Net weight
kg |
| 47~105 | BTN8L/LW | 1.5 | 230V 50Hz | 0.1 | 420x315x313 | 10 |
| Model | A | A1 | B | C | D | E | G | H | J | K | L | M |
| mm | mm | mm | mm | mm | Φmm | Φmm | Φmm | mm | Φmm | Φmm | M | |
| BTN8L/LW | 243 | 310 | 246 | 338 | 114 | 97 | 107 | 194 | 166 | 140 | 168 | 4-M8 |
BTN12L/LW


| power | Model | Max Viscldity | Power supply |
Motor power
kW |
packing Size
L x P x H mm |
Net weight
kg |
| 60~130 | BTN12L/LW | 1.5 | 230V 50Hz | 0.13 | 420x315x313 | 10.5 |
| Model | A | A1 | B | C | D | E | G | H | J | K | L | M |
| mm | mm | mm | mm | mm | Φmm | Φmm | Φmm | mm | Φmm | Φmm | M | |
| BTN12L/LW | 243 | 310 | 246 | 338 | 114 | 97 | 107 | 194 | 166 | 140 | 168 | 4-M8 |






