1. Gas-fired burner.
2.wo-stage sliding/modulating working.
3.Air-gas mixing at blast-pipe.
4.Ability to obtain optimal combustion values by regulating combustion air and blast-pipe
5.Hinged connection,autonatie open comtrol, maintenance is convenient.
6.Minimum and maximum air flow regulation for first and second stage by means of electric servomotor with pause closure of gate to prevent any heat dispersion to flue.
7.The servo motor which fixed with a cam can adjust the consumption for fuel and air.
8.Using a flange and high temperature resistant heat insulation pads connected to the boiler.
9.Combustion air intake with air flow adjustment device
10.Three-phase electric motor to run fan.
11.Flame presence check by ionisation electrode
12.Electrical plant protection rating IP40.
Products
BTN1200/1500GC/ GESliding/Modulating/Electronic proportional Gas Burner
Product Model
BTN1200GC/GE


| power | Model | Power supply |
Motor power
kW |
packing Size
L x P x H mm |
Net weight
kg |
| 1400 ~12000 | BTN1200GC/GE | 380V 50Hz | 37 | 2240x1820x1800 | 812 |
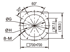
| Model | A | B | C | D | E | F | G | H | B1 | K | L | M |
| mm | mm | mm | mm | Φmm | Φmm | Φmm | Φmm | mm | mm | mm | M | |
| BTN1200GC/GE | 1530 | 1520 | 2070 | 462 | 536 | 510 | 735 | 556 | 634 | 218 | DN 125 | 8-M16 |
BTN1500GC/GE


| power | Model | Power supply |
Motor power
kW |
packing Size
L x P x H mm |
Net weight
kg |
| 1715~14000 | BTN1500GC/GE | 380V 50Hz | 45 | 2240x1820x1800 | 862 |
| Model | A | B | C | D | E | F | G | H | B1 | K | L | M |
| mm | mm | mm | mm | Φmm | Φmm | Φmm | Φmm | mm | mm | mm | M | |
| BTN1500GC/GE | 1530 | 1520 | 2070 | 462 | 536 | 510 | 735 | 556 | 634 | 218 | DN 125 | 8-M16 |






